35,09 € (sis. KM)
12 laos (Laki 26)
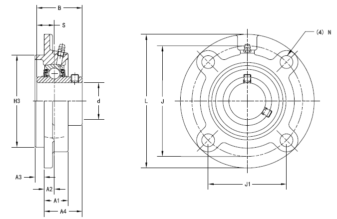
Kirjeldus
Cast iron bearing unit
UCFC207 ASAHI
dimensions 35 x 0 x 0
Weight 1.708 kg
A1 [mm] 9
A2 [mm] 26
A [mm] 34
cage steel
clearence C3 – greater than normal
country of origin Japan
D2 [mm] 110
Dynamic load rating [N] 25700
d [mm] 35
D [mm] 135
sealing double-sided lip seal covered with a steel sheet washers with outer flinger shield with corrosion protection.
Seotud tooted
-
Y-LAAGER TOPELTTIHENDIGA d-35MM YAR 207-2RF -SKF-
- 37,78 € (sis. KM)
- Lisa korvi
-
- Laost otsas
PUKKLAAGER d-35mm UCFC207 (FC207 + UC207) SKF
- 52,90 € (sis. KM)
- Loe edasi
-
-
PUKI LAAGER d-35mm UC 207 -FAG-
- 22,07 € (sis. KM)
- Lisa korvi








