44,59 € (sis. KM)
2 laos (Laki 26)
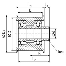
Material: Aluminium similar to EN AW2017A, one-piece, with turned flanges. Distance bushes and ball bearings DIN 625 from steel.
Mounted on a suitable tensioning element, the tensioning roller becomes a ready-to-mount belt tensioner or, on its own, it can be used as an idler. It runs on permanently lubricated 2Z ball bearings.
Kirjeldus
Bezeichnung TS 60-31
D [mm] 60
b [mm] 31
d [mm] 12
DF [mm] 68
L1 [mm] 36
L2 [mm] 48
L3 [mm] 12
R [mm] 30
Kugellager 2 x 6301-2Z
Gewicht [g] 366
Artikel
zusätzliche
Buchse 14081212
dB x DB x LB [mm] 12x20x12
Gewicht [g] 18,9





